| штат: | |
|---|---|
| Количество: | |
ВЕА21
XZWD
Вступление:
Используя поворотный подшипник в качестве основного компонента, поворотный привод может одновременно воспринимать осевую силу, радиальную силу и опрокидывающий момент.Поворотный привод широко применяется в модульных прицепах, всех типах кранов, подъемных рабочих платформах, системах слежения за солнечными батареями и ветроэнергетических установках.
Электрические и планетарные редукторы могут быть разработаны в соответствии с требованиями заказчика.Преимущество поворотного привода заключается в экономии места на объектах, максимальной грузоподъемности при компактной конструкции, длительном сроке службы и снижении затрат на техническое обслуживание.
Глоссарий
1) Опрокидывающий момент Крутящий момент: Крутящий момент представляет собой произведение нагрузки на расстояние между положением нагрузки и центром опорно-поворотного подшипника.Если крутящий момент, создаваемый нагрузкой и расстоянием, превышает номинальный крутящий момент опрокидывающего момента, поворотный привод перевернется.
2) Радиальная нагрузка: нагрузка вертикально к оси поворотного подшипника
3) Осевая нагрузка: нагрузка параллельна оси поворотного подшипника
4) Удерживающий крутящий момент: это обратный крутящий момент.Когда привод вращается в обратном направлении и детали не повреждены,
5) Достигаемый максимальный крутящий момент называется удерживающим крутящим моментом.
6) Самоблокирующийся: только под нагрузкой поворотный привод не может вращаться в обратном направлении и поэтому называется самоблокирующимся.
--Клиент может выбрать двигатель в соответствии с нашими уже разработанными размерами подключения поворотного привода.
-- Мы можем спроектировать соединительную структуру в соответствии с размерами подключения двигателя заказчика.
-- Мы можем помочь предоставить целые детали с гидравлическим двигателем, двигателем постоянного тока, двигателем переменного тока, шаговым двигателем или серводвигателем.
- Подробнее см. на: http://en.site33184760.tw.ldyjz.com/WEA14-pd6018425.html#sthash.qZSx1Xhz.dpuf.Вступление:
Используя поворотный подшипник в качестве основного компонента, поворотный привод может одновременно воспринимать осевую силу, радиальную силу и опрокидывающий момент.Поворотный привод широко применяется в модульных прицепах, всех типах кранов, подъемных рабочих платформах, системах слежения за солнечными батареями и ветроэнергетических установках.
Электрические и планетарные редукторы могут быть разработаны в соответствии с требованиями заказчика.Преимущество поворотного привода заключается в экономии места на объектах, максимальной грузоподъемности при компактной конструкции, длительном сроке службы и снижении затрат на техническое обслуживание.
Глоссарий
1) Опрокидывающий момент Крутящий момент: Крутящий момент представляет собой произведение нагрузки на расстояние между положением нагрузки и центром опорно-поворотного подшипника.Если крутящий момент, создаваемый нагрузкой и расстоянием, превышает номинальный крутящий момент опрокидывающего момента, поворотный привод перевернется.
2) Радиальная нагрузка: нагрузка вертикально к оси поворотного подшипника
3) Осевая нагрузка: нагрузка параллельна оси поворотного подшипника
4) Удерживающий крутящий момент: это обратный крутящий момент.Когда привод вращается в обратном направлении и детали не повреждены,
5) Максимально достигнутый крутящий момент называется удерживающим крутящим моментом.
6) Самоблокирующийся: только под нагрузкой поворотный привод не может вращаться в обратном направлении и поэтому называется самоблокирующимся.
--Клиент может выбрать двигатель в соответствии с нашими уже разработанными размерами подключения поворотного привода.
-- Мы можем спроектировать соединительную структуру в соответствии с размерами подключения двигателя заказчика.
-- Мы можем помочь предоставить целые детали с гидравлическим двигателем, двигателем постоянного тока, двигателем переменного тока, шаговым двигателем или серводвигателем.
- Подробнее см. на: http://en.site33184760.tw.ldyjz.com/WEA14-pd6018425.html#sthash.qZSx1Xhz.dpuf.
Поворотный привод серии WEA, поворотный привод - это новая серия поворотного продукта, также называемая поворотным редуктором.Обычно он состоит из червяка, поворотного подшипника, корпуса, адаптера двигателя, торцевой крышки и других компонентов.Используя поворотный подшипник в качестве основного компонента, поворотный привод может одновременно воспринимать осевую силу, радиальную силу и опрокидывающий момент.По сравнению с поворотным приводом серии SE, серия WEA имеет преимущества лучшей защиты, коробка передач крутящий момент, лучшая ударопрочность и длительный срок службы.
Поворотный привод серии WEA широко применяется в относительно вращающихся частях машин и в области солнечной энергетики. Солнечная система слежения Поворотное шасси воздушной рабочей техники Автокран Горный бур, буровая машина Захватывающая деревянная машина, формовочная машина.
самоходный модульный транспортер или иногда самоходный модульный прицеп (SPMT) представляет собой платформу с большим количеством колес.SPMT используются для перевозки массивных объектов, таких как большие секции мостов, нефтеперерабатывающее оборудование, двигатели и другие объекты, которые слишком велики или тяжелы для грузовых автомобилей.

Модель | Внешние размеры | Установочные размеры | Данные монтажного отверстия | |||||||||||||
| Pdf.формат | L1 | L2 | L3 | Н2 | Д0 | Д2 | Д3 | Д4 | Д5 | n1 | М1 | Т1 | Т2 | п2 | М2 | Т3 |
мм | Внутреннее кольцо | Внешнее кольцо | ||||||||||||||
424 | 330 | 180 | 108 | 360 | 175 | 146 | 222.5 | 270 | 15 | М16 | 30 | 62 | 16 | М16 | 30 | |
509 | 370 | 222.5 | 108 | 445 | 259 | 229 | 310 | 358 | 19 | М16 | 30 | 62 | 18 | М16 | 30 | |
544 | 380 | 240 | 108 | 480 | 295 | 265 | 342 | 390 | 23 | М16 | 30 | 56 | 18 | М16 | 30 | |
534 | 405 | 285 | 108 | 570 | 365.1 | 332 | 430 | 479.4 | 20 | М16 | 32 | 62 | 20 | М16 | 32 | |
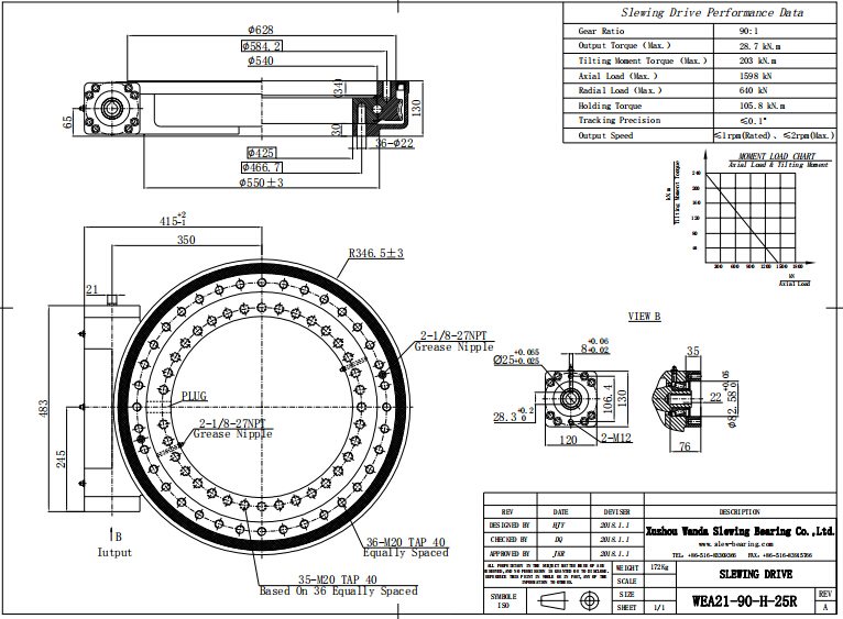
762 | 483 | 350 | 130 | 693 | 466.7 | 425 | 540 | 574.2 | 35 | М20 | 40 | 70 | 36 | М20 | 40 | |
861 | 513 | 399 | 130 | 793 | 565 | 525 | 630 | 675 | 35 | М20 | 40 | 70 | 36 | М20 | 40 | |
Модель | Номинальный крутящий момент кН.м | Опрокидывающий момент кН.м | Статическая осевая нагрузка кН | Статическая радиальная нагрузка кН | Динамическая осевая нагрузка кН | 56Динамическая радиальная нагрузка кН | удерживающий крутящий момент кН.м | Шестерня Радио | Выходная скорость об/мин | Самоблокирующиеся шестерни | Масса кг |
ВЕА9 | 8 | 33.9 | 550 | 205 | 130 | 110 | 38.7 | 62:1 | <3 | Да | 53 кг |
ВЕА12 | 9.5 | 54.3 | 725 | 270 | 180 | 140 | 43 | 79:1 | <3 | Да | 66,8 кг |
ВЕА14 | 10.8 | 67.8 | 920 | 343 | 220 | 190 | 48 | 86:1 | <3 | Да | 75 кг |
ВЕА17 | 12.96 | 135.6 | 1110 | 414 | 268 | 220 | 72.3 | 104:1 | <2 | Да | 96 кг |
ВЕА21 | 28.7 | 203 | 1595 | 596 | 340 | 270 | 105.8 | 90:1 | <1.5 | Да | 172 кг |
ВЕА25 | 34.2 | 310 | 1850 | 690 | 440 | 320 | 158.3 | 104:1 | <1.5 | Да | 202 кг |
Вступление:
Используя поворотный подшипник в качестве основного компонента, поворотный привод может одновременно воспринимать осевую силу, радиальную силу и опрокидывающий момент.Поворотный привод широко применяется в модульных прицепах, всех типах кранов, подъемных рабочих платформах, системах слежения за солнечными батареями и ветроэнергетических установках.
Электрические и планетарные редукторы могут быть разработаны в соответствии с требованиями заказчика.Преимущество поворотного привода заключается в экономии места на объектах, максимальной грузоподъемности при компактной конструкции, длительном сроке службы и снижении затрат на техническое обслуживание.
Глоссарий
1) Опрокидывающий момент Крутящий момент: Крутящий момент представляет собой произведение нагрузки на расстояние между положением нагрузки и центром опорно-поворотного подшипника.Если крутящий момент, создаваемый нагрузкой и расстоянием, превышает номинальный крутящий момент опрокидывающего момента, поворотный привод перевернется.
2) Радиальная нагрузка: нагрузка вертикально к оси поворотного подшипника
3) Осевая нагрузка: нагрузка параллельна оси поворотного подшипника
4) Удерживающий крутящий момент: это обратный крутящий момент.Когда привод вращается в обратном направлении и детали не повреждены,
5) Достигаемый максимальный крутящий момент называется удерживающим крутящим моментом.
6) Самоблокирующийся: только под нагрузкой поворотный привод не может вращаться в обратном направлении и поэтому называется самоблокирующимся.
--Клиент может выбрать двигатель в соответствии с нашими уже разработанными размерами подключения поворотного привода.
-- Мы можем спроектировать соединительную структуру в соответствии с размерами подключения двигателя заказчика.
-- Мы можем помочь предоставить целые детали с гидравлическим двигателем, двигателем постоянного тока, двигателем переменного тока, шаговым двигателем или серводвигателем.
- Подробнее см. на: http://en.site33184760.tw.ldyjz.com/WEA14-pd6018425.html#sthash.qZSx1Xhz.dpuf.Вступление:
Используя поворотный подшипник в качестве основного компонента, поворотный привод может одновременно воспринимать осевую силу, радиальную силу и опрокидывающий момент.Поворотный привод широко применяется в модульных прицепах, всех типах кранов, подъемных рабочих платформах, системах слежения за солнечными батареями и ветроэнергетических установках.
Электрические и планетарные редукторы могут быть разработаны в соответствии с требованиями заказчика.Преимущество поворотного привода заключается в экономии места на объектах, максимальной грузоподъемности при компактной конструкции, длительном сроке службы и снижении затрат на техническое обслуживание.
Глоссарий
1) Опрокидывающий момент Крутящий момент: Крутящий момент представляет собой произведение нагрузки на расстояние между положением нагрузки и центром опорно-поворотного подшипника.Если крутящий момент, создаваемый нагрузкой и расстоянием, превышает номинальный крутящий момент опрокидывающего момента, поворотный привод перевернется.
2) Радиальная нагрузка: нагрузка вертикально к оси поворотного подшипника
3) Осевая нагрузка: нагрузка параллельна оси поворотного подшипника
4) Удерживающий крутящий момент: это обратный крутящий момент.Когда привод вращается в обратном направлении и детали не повреждены,
5) Максимально достигнутый крутящий момент называется удерживающим крутящим моментом.
6) Самоблокирующийся: только под нагрузкой поворотный привод не может вращаться в обратном направлении и поэтому называется самоблокирующимся.
--Клиент может выбрать двигатель в соответствии с нашими уже разработанными размерами подключения поворотного привода.
-- Мы можем спроектировать соединительную структуру в соответствии с размерами подключения двигателя заказчика.
-- Мы можем помочь предоставить целые детали с гидравлическим двигателем, двигателем постоянного тока, двигателем переменного тока, шаговым двигателем или серводвигателем.
- Подробнее см. на: http://en.site33184760.tw.ldyjz.com/WEA14-pd6018425.html#sthash.qZSx1Xhz.dpuf.
Поворотный привод серии WEA, поворотный привод - это новая серия поворотного продукта, также называемая поворотным редуктором.Обычно он состоит из червяка, поворотного подшипника, корпуса, адаптера двигателя, торцевой крышки и других компонентов.Используя поворотный подшипник в качестве основного компонента, поворотный привод может одновременно воспринимать осевую силу, радиальную силу и опрокидывающий момент.По сравнению с поворотным приводом серии SE, серия WEA имеет преимущества лучшей защиты, коробка передач крутящий момент, лучшая ударопрочность и длительный срок службы.
Поворотный привод серии WEA широко применяется в относительно вращающихся частях машин и в области солнечной энергетики. Солнечная система слежения Поворотное шасси воздушной рабочей техники Автокран Горный бур, буровая машина Захватывающая деревянная машина, формовочная машина.
самоходный модульный транспортер или иногда самоходный модульный прицеп (SPMT) представляет собой платформу с большим количеством колес.SPMT используются для перевозки массивных объектов, таких как большие секции мостов, нефтеперерабатывающее оборудование, двигатели и другие объекты, которые слишком велики или тяжелы для грузовых автомобилей.

Модель | Внешние размеры | Установочные размеры | Данные монтажного отверстия | |||||||||||||
| Pdf.формат | L1 | L2 | L3 | Н2 | Д0 | Д2 | Д3 | Д4 | Д5 | n1 | М1 | Т1 | Т2 | п2 | М2 | Т3 |
мм | Внутреннее кольцо | Внешнее кольцо | ||||||||||||||
424 | 330 | 180 | 108 | 360 | 175 | 146 | 222.5 | 270 | 15 | М16 | 30 | 62 | 16 | М16 | 30 | |
509 | 370 | 222.5 | 108 | 445 | 259 | 229 | 310 | 358 | 19 | М16 | 30 | 62 | 18 | М16 | 30 | |
544 | 380 | 240 | 108 | 480 | 295 | 265 | 342 | 390 | 23 | М16 | 30 | 56 | 18 | М16 | 30 | |
534 | 405 | 285 | 108 | 570 | 365.1 | 332 | 430 | 479.4 | 20 | М16 | 32 | 62 | 20 | М16 | 32 | |
762 | 483 | 350 | 130 | 693 | 466.7 | 425 | 540 | 574.2 | 35 | М20 | 40 | 70 | 36 | М20 | 40 | |
861 | 513 | 399 | 130 | 793 | 565 | 525 | 630 | 675 | 35 | М20 | 40 | 70 | 36 | М20 | 40 | |
Модель | Номинальный крутящий момент кН.м | Опрокидывающий момент кН.м | Статическая осевая нагрузка кН | Статическая радиальная нагрузка кН | Динамическая осевая нагрузка кН | 56Динамическая радиальная нагрузка кН | удерживающий крутящий момент кН.м | Шестерня Радио | Выходная скорость об/мин | Самоблокирующиеся шестерни | Масса кг |
ВЕА9 | 8 | 33.9 | 550 | 205 | 130 | 110 | 38.7 | 62:1 | <3 | Да | 53 кг |
ВЕА12 | 9.5 | 54.3 | 725 | 270 | 180 | 140 | 43 | 79:1 | <3 | Да | 66,8 кг |
ВЕА14 | 10.8 | 67.8 | 920 | 343 | 220 | 190 | 48 | 86:1 | <3 | Да | 75 кг |
ВЕА17 | 12.96 | 135.6 | 1110 | 414 | 268 | 220 | 72.3 | 104:1 | <2 | Да | 96 кг |
ВЕА21 | 28.7 | 203 | 1595 | 596 | 340 | 270 | 105.8 | 90:1 | <1.5 | Да | 172 кг |
ВЕА25 | 34.2 | 310 | 1850 | 690 | 440 | 320 | 158.3 | 104:1 | <1.5 | Да | 202 кг |
Главная | Насчет нас | Товары | Новости | заявка | Служба поддержки | Связаться с нами