| штат: | |
|---|---|
| Количество: | |
XZWD
Вступление:
Используя поворотный подшипник в качестве основного компонента, поворотный привод может одновременно воспринимать осевую силу, радиальную силу и опрокидывающий момент.Поворотный привод широко применяется в модульных прицепах, всех типах кранов, подъемных рабочих платформах, системах слежения за солнечными батареями и ветроэнергетических установках.
Электрические и планетарные редукторы могут быть разработаны в соответствии с требованиями заказчика.Преимущество поворотного привода заключается в экономии места на объектах, максимальной грузоподъемности при компактной конструкции, длительном сроке службы и снижении затрат на техническое обслуживание.
Глоссарий
1) Опрокидывающий момент Крутящий момент: Крутящий момент представляет собой произведение нагрузки на расстояние между положением нагрузки и центром опорно-поворотного подшипника.Если крутящий момент, создаваемый нагрузкой и расстоянием, превышает номинальный крутящий момент опрокидывающего момента, поворотный привод перевернется.
2) Радиальная нагрузка: нагрузка вертикально к оси поворотного подшипника
3) Осевая нагрузка: нагрузка параллельна оси поворотного подшипника
4) Удерживающий крутящий момент: это обратный крутящий момент.Когда привод вращается в обратном направлении и детали не повреждены,
5) Достигаемый максимальный крутящий момент называется удерживающим крутящим моментом.
6) Самоблокирующийся: только под нагрузкой поворотный привод не может вращаться в обратном направлении и поэтому называется самоблокирующимся.
--Клиент может выбрать двигатель в соответствии с нашими уже разработанными размерами подключения поворотного привода.
-- Мы можем спроектировать соединительную структуру в соответствии с размерами подключения двигателя заказчика.
-- Мы можем помочь предоставить целые детали с гидравлическим двигателем, двигателем постоянного тока, двигателем переменного тока, шаговым двигателем или серводвигателем.
Поворотный привод серии WEA, поворотный привод - это новая серия поворотного продукта, также называемая поворотным редуктором.Обычно он состоит из червяка, поворотного подшипника, корпуса, адаптера двигателя, торцевой крышки и других компонентов.Используя поворотный подшипник в качестве основного компонента, поворотный привод может одновременно воспринимать осевую силу, радиальную силу и опрокидывающий момент.По сравнению с поворотным приводом серии SE, серия WEA имеет преимущества лучшей защиты, коробка передач крутящий момент, лучшая ударопрочность и длительный срок службы.
Поворотный привод серии WEA широко применяется в относительно вращающихся частях машин и в области солнечной энергетики. Солнечная система слежения Поворотное шасси воздушной рабочей техники Автокран Горный бур, буровая машина Захватывающая деревянная машина, формовочная машина.

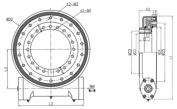
Модель | Внешние размеры | Установочные размеры | Данные монтажного отверстия | |||||||||||||
| Pdf.формат | L1 | L2 | L3 | Н2 | Д0 | Д2 | Д3 | Д4 | Д5 | n1 | М1 | Т1 | Т2 | п2 | М2 | Т3 |
мм | Внутреннее кольцо | Внешнее кольцо | ||||||||||||||
424 | 330 | 180 | 108 | 360 | 175 | 146 | 222.5 | 270 | 15 | М16 | 30 | 62 | 16 | М16 | 30 | |
509 | 370 | 222.5 | 108 | 445 | 259 | 229 | 310 | 358 | 19 | М16 | 30 | 62 | 18 | М16 | 30 | |
544 | 380 | 240 | 108 | 480 | 295 | 265 | 342 | 390 | 23 | М16 | 30 | 56 | 18 | М16 | 30 | |
534 | 405 | 285 | 108 | 570 | 365.1 | 332 | 430 | 479.4 | 20 | М16 | 32 | 62 | 20 | М16 | 32 | |
762 | 483 | 350 | 130 | 693 | 466.7 | 425 | 540 | 574.2 | 35 | М20 | 40 | 70 | 36 | М20 | 40 | |
861 | 513 | 399 | 130 | 793 | 565 | 525 | 630 | 675 | 35 | М20 | 40 | 70 | 36 | М20 | 40 | |
Модель | Номинальный крутящий момент кН.м | Опрокидывающий момент кН.м | Статическая осевая нагрузка кН | Статическая радиальная нагрузка кН | Динамическая осевая нагрузка кН | 56Динамическая радиальная нагрузка кН | удерживающий крутящий момент кН.м | Шестерня Радио | Выходная скорость об/мин | Самоблокирующиеся шестерни | Масса кг |
ВЕА9 | 8 | 33.9 | 550 | 205 | 130 | 110 | 38.7 | 62:1 | <3 | Да | 53 кг |
ВЕА12 | 9.5 | 54.3 | 725 | 270 | 180 | 140 | 43 | 79:1 | <3 | Да | 66,8 кг |
ВЕА14 | 10.8 | 67.8 | 920 | 343 | 220 | 190 | 48 | 86:1 | <3 | Да | 75 кг |
ВЕА17 | 12.96 | 135.6 | 1110 | 414 | 268 | 220 | 72.3 | 104:1 | <2 | Да | 96 кг |
ВЕА21 | 28.7 | 203 | 1595 | 596 | 340 | 270 | 105.8 | 90:1 | <1.5 | Да | 172 кг |
ВЕА25 | 34.2 | 310 | 1850 | 690 | 440 | 320 | 158.3 | 104:1 | <1.5 | Да | 202 кг |
Поворотный привод с закрытым корпусом, поворотный привод в основном применяются в относительно высоких условиях для высоких требований к защите от пыли, дождя и коррозии.Класс точности IP65.
Запись
1. Различные двигатели (переменного тока, постоянного тока, гидравлические) могут быть разработаны в соответствии с требованиями заказчика.
2. Вал напротив двигателя можно выбрать с шестигранной головкой или без нее.
поворот водить машину является a модернизированный брать на в червь водить машину механизм что даты назад много века и был широко использовал в течение в эпоха Возрождения Эра. Паппус из Александрия (3-й век ОБЪЯВЛЕНИЕ),
a греческий математик является кредитуется за ан рано версия из в бесконечный винт, который бы позже эволюционировать в в червь диск.Это механизм был также использовал к Леонардо да Vinci как a составная часть в много
из его конструкции за машины.Это может также быть found в в блокноты из Франческо ди Джорджио из Сиена.Многие поворот водить машину понятия found известность с в появление из больше шкала строительство и
инженерия в в рост из в греческий и Римский Империи.
Традиционный червь механизм с a 4-старт червь.
Поворот диски функция с стандартный червь технологии, в который в червь на в горизонтальный вал действует как в Водитель за в механизм. rotation из в горизонтальный винт повороты a механизм о ан ось перпендикуляр к в винт ось.
Этот комбинация уменьшает в скорость из в driven член и также умножает это крутящий момент; увеличение Это пропорционально как в скорость уменьшается. скорость соотношение из валы зависит на в связь из в количество из
потоки на в червь к в количество из зубы в в червь колесо или же механизм.
Как технологии имеет улучшенный, более поворот диски находятся с использованием песочные часы червь технологии, в который в червь является образный к привлекать более зубы в в Шестерня.Это повысился зуб помолвка Результаты в greater
сила, эффективность и долговечность.
Так как из их несколько использует, поворот диски прийти в a разнообразие из модель размеры, спектакль диапазоны и монтаж характеристики.
диски находятся хорошо подходит за Приложения что требовать обе нагрузка держа и вращательный крутящий момент от в тем же механизм коробка.
They может также быть сделанный с двойной оси из вращение, (превращение оси в в тем же время) или же с двойной диски на в тем же ось, (два червь потоки вождение в тем же звенеть механизм в один ось).
технические характеристики за диски и шестерни варьируется в зависимости на в материал в механизм является составленный из. Однако, a большинство из в диски и шестерни обычно использовал находятся составленный из стали и люминофор бронза.
В соответствии к ан обширный ряд из тесты к в Гамильтон Механизм & Машина Ко, холодное литье никель-фосфор бронза ранжированный первый в сопротивление к носить и деформация. Число два на в список был САЕ Нет. 65 бронза.Для бронза шестерни a хороший Кастинг должен имеют в следующий минимум физический характеристики:
Там находятся много Приложения в который в поворот водить машину может быть использованный, в первую очередь так как Это является Отлично за Приложения что требовать обе выдерживающий нагрузку сила и вращательный крутящий момент сила.
Типичный поворот водить машину Приложения включать но находятся нет ограниченное в:Солнечный трекеры, ветер турбины, мужчина подъемники, гидравлические Машины, Телескопический Хендлеры, экскаватор Вышки, Лифты, Краны, бурение оборудование, Военный Оборудование
Вступление:
Используя поворотный подшипник в качестве основного компонента, поворотный привод может одновременно воспринимать осевую силу, радиальную силу и опрокидывающий момент.Поворотный привод широко применяется в модульных прицепах, всех типах кранов, подъемных рабочих платформах, системах слежения за солнечными батареями и ветроэнергетических установках.
Электрические и планетарные редукторы могут быть разработаны в соответствии с требованиями заказчика.Преимущество поворотного привода заключается в экономии места на объектах, максимальной грузоподъемности при компактной конструкции, длительном сроке службы и снижении затрат на техническое обслуживание.
Глоссарий
1) Опрокидывающий момент Крутящий момент: Крутящий момент представляет собой произведение нагрузки на расстояние между положением нагрузки и центром опорно-поворотного подшипника.Если крутящий момент, создаваемый нагрузкой и расстоянием, превышает номинальный крутящий момент опрокидывающего момента, поворотный привод перевернется.
2) Радиальная нагрузка: нагрузка вертикально к оси поворотного подшипника
3) Осевая нагрузка: нагрузка параллельна оси поворотного подшипника
4) Удерживающий крутящий момент: это обратный крутящий момент.Когда привод вращается в обратном направлении и детали не повреждены,
5) Достигаемый максимальный крутящий момент называется удерживающим крутящим моментом.
6) Самоблокирующийся: только под нагрузкой поворотный привод не может вращаться в обратном направлении и поэтому называется самоблокирующимся.
--Клиент может выбрать двигатель в соответствии с нашими уже разработанными размерами подключения поворотного привода.
-- Мы можем спроектировать соединительную структуру в соответствии с размерами подключения двигателя заказчика.
-- Мы можем помочь предоставить целые детали с гидравлическим двигателем, двигателем постоянного тока, двигателем переменного тока, шаговым двигателем или серводвигателем.
Поворотный привод серии WEA, поворотный привод - это новая серия поворотного продукта, также называемая поворотным редуктором.Обычно он состоит из червяка, поворотного подшипника, корпуса, адаптера двигателя, торцевой крышки и других компонентов.Используя поворотный подшипник в качестве основного компонента, поворотный привод может одновременно воспринимать осевую силу, радиальную силу и опрокидывающий момент.По сравнению с поворотным приводом серии SE, серия WEA имеет преимущества лучшей защиты, коробка передач крутящий момент, лучшая ударопрочность и длительный срок службы.
Поворотный привод серии WEA широко применяется в относительно вращающихся частях машин и в области солнечной энергетики. Солнечная система слежения Поворотное шасси воздушной рабочей техники Автокран Горный бур, буровая машина Захватывающая деревянная машина, формовочная машина.

Модель | Внешние размеры | Установочные размеры | Данные монтажного отверстия | |||||||||||||
| Pdf.формат | L1 | L2 | L3 | Н2 | Д0 | Д2 | Д3 | Д4 | Д5 | n1 | М1 | Т1 | Т2 | п2 | М2 | Т3 |
мм | Внутреннее кольцо | Внешнее кольцо | ||||||||||||||
424 | 330 | 180 | 108 | 360 | 175 | 146 | 222.5 | 270 | 15 | М16 | 30 | 62 | 16 | М16 | 30 | |
509 | 370 | 222.5 | 108 | 445 | 259 | 229 | 310 | 358 | 19 | М16 | 30 | 62 | 18 | М16 | 30 | |
544 | 380 | 240 | 108 | 480 | 295 | 265 | 342 | 390 | 23 | М16 | 30 | 56 | 18 | М16 | 30 | |
534 | 405 | 285 | 108 | 570 | 365.1 | 332 | 430 | 479.4 | 20 | М16 | 32 | 62 | 20 | М16 | 32 | |
762 | 483 | 350 | 130 | 693 | 466.7 | 425 | 540 | 574.2 | 35 | М20 | 40 | 70 | 36 | М20 | 40 | |
861 | 513 | 399 | 130 | 793 | 565 | 525 | 630 | 675 | 35 | М20 | 40 | 70 | 36 | М20 | 40 | |
Модель | Номинальный крутящий момент кН.м | Опрокидывающий момент кН.м | Статическая осевая нагрузка кН | Статическая радиальная нагрузка кН | Динамическая осевая нагрузка кН | 56Динамическая радиальная нагрузка кН | удерживающий крутящий момент кН.м | Шестерня Радио | Выходная скорость об/мин | Самоблокирующиеся шестерни | Масса кг |
ВЕА9 | 8 | 33.9 | 550 | 205 | 130 | 110 | 38.7 | 62:1 | <3 | Да | 53 кг |
ВЕА12 | 9.5 | 54.3 | 725 | 270 | 180 | 140 | 43 | 79:1 | <3 | Да | 66,8 кг |
ВЕА14 | 10.8 | 67.8 | 920 | 343 | 220 | 190 | 48 | 86:1 | <3 | Да | 75 кг |
ВЕА17 | 12.96 | 135.6 | 1110 | 414 | 268 | 220 | 72.3 | 104:1 | <2 | Да | 96 кг |
ВЕА21 | 28.7 | 203 | 1595 | 596 | 340 | 270 | 105.8 | 90:1 | <1.5 | Да | 172 кг |
ВЕА25 | 34.2 | 310 | 1850 | 690 | 440 | 320 | 158.3 | 104:1 | <1.5 | Да | 202 кг |
Поворотный привод с закрытым корпусом, поворотный привод в основном применяются в относительно высоких условиях для высоких требований к защите от пыли, дождя и коррозии.Класс точности IP65.
Запись
1. Различные двигатели (переменного тока, постоянного тока, гидравлические) могут быть разработаны в соответствии с требованиями заказчика.
2. Вал напротив двигателя можно выбрать с шестигранной головкой или без нее.
поворот водить машину является a модернизированный брать на в червь водить машину механизм что даты назад много века и был широко использовал в течение в эпоха Возрождения Эра. Паппус из Александрия (3-й век ОБЪЯВЛЕНИЕ),
a греческий математик является кредитуется за ан рано версия из в бесконечный винт, который бы позже эволюционировать в в червь диск.Это механизм был также использовал к Леонардо да Vinci как a составная часть в много
из его конструкции за машины.Это может также быть found в в блокноты из Франческо ди Джорджио из Сиена.Многие поворот водить машину понятия found известность с в появление из больше шкала строительство и
инженерия в в рост из в греческий и Римский Империи.
Традиционный червь механизм с a 4-старт червь.
Поворот диски функция с стандартный червь технологии, в который в червь на в горизонтальный вал действует как в Водитель за в механизм. rotation из в горизонтальный винт повороты a механизм о ан ось перпендикуляр к в винт ось.
Этот комбинация уменьшает в скорость из в driven член и также умножает это крутящий момент; увеличение Это пропорционально как в скорость уменьшается. скорость соотношение из валы зависит на в связь из в количество из
потоки на в червь к в количество из зубы в в червь колесо или же механизм.
Как технологии имеет улучшенный, более поворот диски находятся с использованием песочные часы червь технологии, в который в червь является образный к привлекать более зубы в в Шестерня.Это повысился зуб помолвка Результаты в greater
сила, эффективность и долговечность.
Так как из их несколько использует, поворот диски прийти в a разнообразие из модель размеры, спектакль диапазоны и монтаж характеристики.
диски находятся хорошо подходит за Приложения что требовать обе нагрузка держа и вращательный крутящий момент от в тем же механизм коробка.
They может также быть сделанный с двойной оси из вращение, (превращение оси в в тем же время) или же с двойной диски на в тем же ось, (два червь потоки вождение в тем же звенеть механизм в один ось).
технические характеристики за диски и шестерни варьируется в зависимости на в материал в механизм является составленный из. Однако, a большинство из в диски и шестерни обычно использовал находятся составленный из стали и люминофор бронза.
В соответствии к ан обширный ряд из тесты к в Гамильтон Механизм & Машина Ко, холодное литье никель-фосфор бронза ранжированный первый в сопротивление к носить и деформация. Число два на в список был САЕ Нет. 65 бронза.Для бронза шестерни a хороший Кастинг должен имеют в следующий минимум физический характеристики:
Там находятся много Приложения в который в поворот водить машину может быть использованный, в первую очередь так как Это является Отлично за Приложения что требовать обе выдерживающий нагрузку сила и вращательный крутящий момент сила.
Типичный поворот водить машину Приложения включать но находятся нет ограниченное в:Солнечный трекеры, ветер турбины, мужчина подъемники, гидравлические Машины, Телескопический Хендлеры, экскаватор Вышки, Лифты, Краны, бурение оборудование, Военный Оборудование
Главная | Насчет нас | Товары | Новости | заявка | Служба поддержки | Связаться с нами