| штат: | |
|---|---|
| Количество: | |
011.45.1600
XZWD
8482800000
Шарики катятся по круговой дорожке в четырех точках, поэтому они могут воспринимать осевую силу, радиальную силу и опрокидывающий момент одновременно. Эта серия шарикоподшипников с четырехточечным контактом подходит для многих инженерных машин, таких как башенный кран, поворотный конвейер, сварочный аппарат, небольшие краны, малые и средние экскаваторы и так далее.
Применение четырехточечного опорно-поворотного кольца в кранах является одной из важных несущих частей крана.Это связано со сваркой поворотного стола сложной конструкции и нагрузок.С помощью метода конечных элементов в качестве инструмента создается модель расчета конечных элементов для четырехточечного опорно-поворотного устройства автокрана, и на ней проводится анализ прочности и жесткости конструкции.
Качество и точность нашего производства являются ключом к обеспечению хорошей работы после многих демонтажных операций крана. Мы можем поставить различные типы применения крана.Наши поворотные подшипники поставляются для судовых погрузчиков для погрузки и разгрузки различных товаров.Он широко используется в судовых кранах, портовых кранах, морских кранах, портальных кранах и т. д.
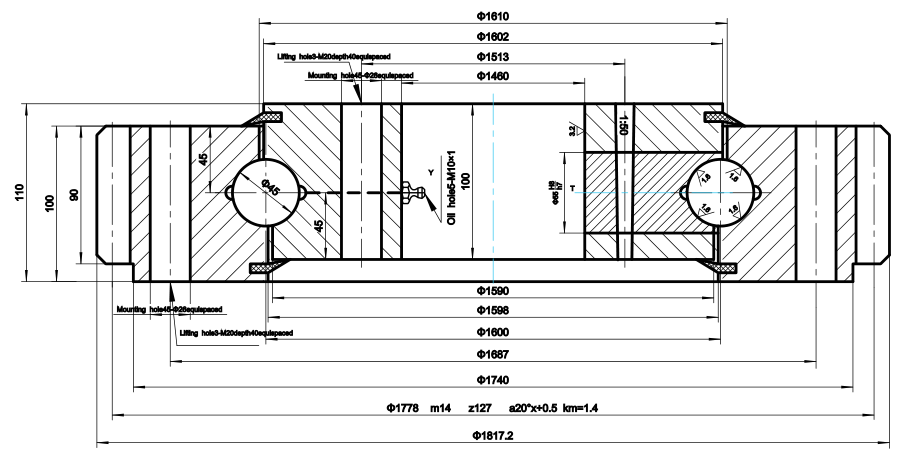
Ниже приведены подробные размеры этой модели:
Любой вопрос или запрос, пожалуйста, свяжитесь с нами.
Шарики катятся по круговой дорожке в четырех точках, поэтому они могут воспринимать осевую силу, радиальную силу и опрокидывающий момент одновременно. Эта серия шарикоподшипников с четырехточечным контактом подходит для многих инженерных машин, таких как башенный кран, поворотный конвейер, сварочный аппарат, небольшие краны, малые и средние экскаваторы и так далее.
Применение четырехточечного опорно-поворотного кольца в кранах является одной из важных несущих частей крана.Это связано со сваркой поворотного стола сложной конструкции и нагрузок.С помощью метода конечных элементов в качестве инструмента создается модель расчета конечных элементов для четырехточечного опорно-поворотного устройства автокрана, и на ней проводится анализ прочности и жесткости конструкции.
Качество и точность нашего производства являются ключом к обеспечению хорошей работы после многих демонтажных операций крана. Мы можем поставить различные типы применения крана.Наши поворотные подшипники поставляются для судовых погрузчиков для погрузки и разгрузки различных товаров.Он широко используется в судовых кранах, портовых кранах, морских кранах, портальных кранах и т. д.
Ниже приведены подробные размеры этой модели:
Любой вопрос или запрос, пожалуйста, свяжитесь с нами.
Главная | Насчет нас | Товары | Новости | заявка | Служба поддержки | Связаться с нами