| штат: | |
|---|---|
| Количество: | |
A поворотный подшипник или же поворотное кольцо вращательныйподшипник качения или же подшипник скольжения который обычно поддерживает тяжелую, но медленно вращающуюся или медленно колеблющуюся нагрузку, часто горизонтальную платформу, такую как обычная кран, а дворник на качелях, или обращенная к ветру платформа горизонтальной оси ветряная мельница.(«Убить» означает повернуться, не меняя места.)
По сравнению с другими подшипниками качения поворотные подшипники имеют тонкое сечение и часто изготавливаются диаметром в метр и более;поворотные подшипники на Фолкеркское колесо имеют диаметр 4 метра и подходят к оси длиной 3,5 метра.Поворотные подшипники напоминают увеличенные подшипники рулевой поверхности самолета.
В поворотных подшипниках часто используются два ряда тел качения.Часто используют три гонка элементы, такие как внутреннее кольцо и две «половинки» внешнего кольца, которые скрепляются вместе в осевом направлении.
Опорно-поворотные подшипники часто изготавливаются с зубчатым зацеплением за одно целое с внутренней или внешней обоймой. используется для привода платформы относительно основания.
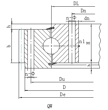
НЕТ. | Модель | Размеры (мм) | Монтажные размеры (мм) | Структурный Измерение (мм) | Данные о передаче | ||||||||||||
Внешняя передача | H | Ду | Дн | n | Через дыра A | Резьбовой дыра Б/В/Д | n1 Масло кружка кол-во | h | B | m | х=-0,5 | ||||||
де | Механизм Кол-во z | Масса | |||||||||||||||
D | d | φ | d1 | T | |||||||||||||
мм | мм | мм | мм | кг | |||||||||||||
1 | QW.315.20 | 406 | 222 | 60 | 370 | 260 | 10 | 17 | М16 | 24 | 2 | 10 | 40 | 3 | 423 | 140 | 35 |
QW.315.20A | 4 | 428 | 106 | 36 | |||||||||||||
2 | QW.355.20 | 446 | 262 | 60 | 410 | 300 | 10 | 17 | М16 | 24 | 2 | 10 | 40 | 3 | 462 | 153 | 40 |
QW.355.20A | 4 | 468 | 116 | 41 | |||||||||||||
3 | QW.400.20 | 490 | 307 | 60 | 455 | 345 | 12 | 17 | М16 | 24 | 2 | 10 | 40 | 4 | 512 | 127 | 45 |
QW.400.20A | 5 | 520 | 103 | 47 | |||||||||||||
4 | QW.450.20 | 540 | 357 | 60 | 505 | 395 | 12 | 17 | М16 | 24 | 2 | 10 | 40 | 4 | 564 | 140 | 51 |
QW.450.20A | 5 | 570 | 113 | 53 | |||||||||||||
5 | QW.500.20 | 590 | 407 | 60 | 555 | 445 | 14 | 17 | М16 | 24 | 2 | 10 | 40 | 5 | 615 | 122 | 56 |
QW.500.20A | 6 | 624 | 103 | 58 | |||||||||||||
6 | QW.560.20 | 654 | 464 | 70 | 618 | 502 | 14 | 17 | М16 | 30 | 2 | 10 | 50 | 4 | 680 | 169 | 78 |
QW.560.20A | 5 | 685 | 136 | 79 | |||||||||||||
7 | QW.630.20 | 724 | 534 | 70 | 688 | 572 | 16 | 17 | М16 | 30 | 2 | 10 | 50 | 4 | 748 | 186 | 86 |
QW.630.20A | 5 | 755 | 150 | 88 | |||||||||||||
8 | QW.710.20 | 804 | 614 | 70 | 768 | 652 | 18 | 17 | М16 | 30 | 2 | 10 | 50 | 5 | 835 | 166 | 99 |
QW.710.20A | 6 | 840 | 139 | 101 | |||||||||||||
9 | QW.800.20 | 894 | 704 | 70 | 858 | 742 | 20 | 17 | М16 | 30 | 2 | 10 | 50 | 6 | 930 | 154 | 114 |
QW.800.20A | 8 | 936 | 116 | 114 | |||||||||||||
10 | QW.800.25 | 904 | 692 | 78 | 864 | 736 | 18 | 22 | М20 | 36 | 2 | 10 | 58 | 6 | 942 | 156 | 143 |
QW.800.25A | 8 | 952 | 118 | 147 | |||||||||||||
11 | QW.900.25 | 1004 | 792 | 78 | 964 | 836 | 20 | 22 | М20 | 36 | 2 | 10 | 58 | 8 | 1048 | 130 | 162 |
QW.900.25A | 10 | 1060 | 105 | 168 | |||||||||||||
12 | QW.1000.25 | 1104 | 892 | 78 | 1064 | 936 | 24 | 22 | М20 | 36 | 2 | 10 | 58 | 8 | 1152 | 143 | 182 |
QW.1000.25A | 10 | 1160 | 115 | 185 | |||||||||||||
13 | QW.1000.32 | 1120 | 876 | 90 | 1074 | 926 | 24 | 24 | М22 | 40 | 2 | 10 | 70 | 8 | 1160 | 144 | 227 |
QW.1000.32A | 10 | 1170 | 116 | 232 | |||||||||||||
14 | QW.1120.32 | 1240 | 996 | 90 | 1194 | 1046 | 28 | 24 | М22 | 40 | 4 | 10 | 70 | 10 | 1300 | 129 | 272 |
QW.1120.32A | 12 | 1308 | 108 | 275 | |||||||||||||
15 | QW.1250.32 | 1370 | 1126 | 90 | 1324 | 1176 | 32 | 24 | М22 | 40 | 4 | 10 | 70 | 10 | 1430 | 142 | 302 |
QW.1250.32A | 12 | 1440 | 119 | 309 | |||||||||||||
16 | QW.1400.32 | 1520 | 1276 | 90 | 1474 | 1326 | 36 | 24 | М22 | 40 | 4 | 10 | 70 | 12 | 1584 | 131 | 337 |
QW.1400.32A | 14 | 1596 | 113 | 347 | |||||||||||||
17 | QW.1250.40 | 1390 | 1108 | 102 | 1336 | 1164 | 32 | 26 | М24 | 45 | 4 | 12 | 80 | 10 | 1450 | 144 | 396 |
QW.1250.40A | 12 | 1452 | 120 | 392 | |||||||||||||
18 | QW.1400.40 | 1540 | 1258 | 102 | 1486 | 1314 | 36 | 26 | М24 | 45 | 4 | 12 | 80 | 12 | 1608 | 133 | 448 |
QW.1400.40A | 14 | 1610 | 114 | 443 | |||||||||||||
19 | QW.1600.40 | 1740 | 1458 | 102 | 1686 | 1514 | 40 | 26 | М24 | 45 | 4 | 12 | 80 | 12 | 1812 | 150 | 528 |
QW.1600.40A | 14 | 1820 | 129 | 534 | |||||||||||||
20 | QW.1800.40 | 1940 | 1658 | 102 | 1886 | 1714 | 44 | 26 | М24 | 45 | 4 | 12 | 80 | 14 | 2016 | 143 | 583 |
QW.1800.40A | 16 | 2032 | 126 | 607 | |||||||||||||
21 | QW.1600.50 | 1762 | 1434 | 124 | 1704 | 1496 | 40 | 30 | М27 | 50 | 4 | 12 | 100 | 12 | 1824 | 151 | 714 |
QW.1600.50A | 14 | 1834 | 130 | 727 | |||||||||||||
22 | QW.1800.50 | 1964 | 1634 | 124 | 1904 | 1696 | 44 | 30 | М27 | 50 | 4 | 12 | 100 | 14 | 2044 | 145 | 845 |
QW.1800.50A | 16 | 2048 | 127 | 843 | |||||||||||||
23 | QW.2000.50 | 2162 | 1834 | 124 | 2104 | 1896 | 48 | 30 | М27 | 50 | 6 | 12 | 100 | 16 | 2240 | 139 | 912 |
QW.2000.50A | 18 | 2250 | 124 | 927 | |||||||||||||
24 | QW.2240.50 | 2402 | 2074 | 124 | 2344 | 2136 | 54 | 30 | М27 | 50 | 6 | 12 | 100 | 16 | 2480 | 154 | 1020 |
QW.2240.50A | 18 | 2502 | 138 | 1078 | |||||||||||||
25 | QW.2500.50 | 2662 | 2334 | 124 | 2604 | 2396 | 60 | 30 | М27 | 50 | 6 | 12 | 100 | 18 | 2754 | 152 | 1171 |
QW.2500.50A | 20 | 2760 | 137 | 1175 | |||||||||||||
26 | QW.2500.60 | 2696 | 2304 | 150 | 2626 | 2374 | 60 | 33 | М30 | 56 | 6 | 14 | 122 | 18 | 2790 | 154 | 1677 |
QW.2500.60A | 20 | 2800 | 139 | 1701 | |||||||||||||
Примечание:
1. N1 – количество смазочных отверстий.Масляный стакан M10×1JB/T7940.1~JB/T7940.
2. Масляный ниппель местоположение может быть изменено в соответствии с заявкой пользователя.
3. n-φ может измениться на резьбовое отверстие, диаметр резьбового отверстия - M, а глубина - 2M.
4. Тангенциальное усилие зуба в форме является максимальным усилием зуба;номинальное тангенциальное усилие на зуб составляет 1/2 от максимального.
5. 'К' - коэффициент уменьшения дополнения.
Наши преимущества:
Технология Германии и сделано в Китае с хорошим качеством и конкурентоспособной ценой;
Богатый опыт в OEM и ODM;
стабильная и быстрая доставка;
оперативное и ответственное послепродажное обслуживание;
Сертифицирован ISO9001:2008, SGS, CCS и BV.
Упаковка и доставка
1.Заполнение антикоррозийным маслом
2. упаковка с защитными слоями
3. Фиксируется в фанере
4. Условия упаковки: фанерный чехол/ Поддон/стальной каркас
Вопросы-Ответы
1. Термическая обработка поворотного подшипника
Подшипники фирмы XZWD в большинстве случаев поставляются с прямозубым зубом.Короткие зубы также в порядке. Есть два вида закалки зубов.Это нормализация и отпуск. В зависимости от применения существует два способа закалки.Это закалка целых зубов и закалка отдельных зубов.Закалку одного зуба можно разделить на закалку поверхности зуба и корня и закалку поверхности зуба.
2. Защита от коррозии
Мы делаем Защита от коррозии на поверхности подшипника и изготовление пары упаковочной бумаги.
3.Настроить.
Да, у нас есть профессиональные технические понятия.
4.Гарантия:
Общий 1 год.
5. Надежная репутация.
XZWD Поворотный подшипник/поворотный привод поставляет индивидуальные решения клиентам в 34 странах.
A поворотный подшипник или же поворотное кольцо вращательныйподшипник качения или же подшипник скольжения который обычно поддерживает тяжелую, но медленно вращающуюся или медленно колеблющуюся нагрузку, часто горизонтальную платформу, такую как обычная кран, а дворник на качелях, или обращенная к ветру платформа горизонтальной оси ветряная мельница.(«Убить» означает повернуться, не меняя места.)
По сравнению с другими подшипниками качения поворотные подшипники имеют тонкое сечение и часто изготавливаются диаметром в метр и более;поворотные подшипники на Фолкеркское колесо имеют диаметр 4 метра и подходят к оси длиной 3,5 метра.Поворотные подшипники напоминают увеличенные подшипники рулевой поверхности самолета.
В поворотных подшипниках часто используются два ряда тел качения.Часто используют три гонка элементы, такие как внутреннее кольцо и две «половинки» внешнего кольца, которые скрепляются вместе в осевом направлении.
Опорно-поворотные подшипники часто изготавливаются с зубчатым зацеплением за одно целое с внутренней или внешней обоймой. используется для привода платформы относительно основания.
НЕТ. | Модель | Размеры (мм) | Монтажные размеры (мм) | Структурный Измерение (мм) | Данные о передаче | ||||||||||||
Внешняя передача | H | Ду | Дн | n | Через дыра A | Резьбовой дыра Б/В/Д | n1 Масло кружка кол-во | h | B | m | х=-0,5 | ||||||
де | Механизм Кол-во z | Масса | |||||||||||||||
D | d | φ | d1 | T | |||||||||||||
мм | мм | мм | мм | кг | |||||||||||||
1 | QW.315.20 | 406 | 222 | 60 | 370 | 260 | 10 | 17 | М16 | 24 | 2 | 10 | 40 | 3 | 423 | 140 | 35 |
QW.315.20A | 4 | 428 | 106 | 36 | |||||||||||||
2 | QW.355.20 | 446 | 262 | 60 | 410 | 300 | 10 | 17 | М16 | 24 | 2 | 10 | 40 | 3 | 462 | 153 | 40 |
QW.355.20A | 4 | 468 | 116 | 41 | |||||||||||||
3 | QW.400.20 | 490 | 307 | 60 | 455 | 345 | 12 | 17 | М16 | 24 | 2 | 10 | 40 | 4 | 512 | 127 | 45 |
QW.400.20A | 5 | 520 | 103 | 47 | |||||||||||||
4 | QW.450.20 | 540 | 357 | 60 | 505 | 395 | 12 | 17 | М16 | 24 | 2 | 10 | 40 | 4 | 564 | 140 | 51 |
QW.450.20A | 5 | 570 | 113 | 53 | |||||||||||||
5 | QW.500.20 | 590 | 407 | 60 | 555 | 445 | 14 | 17 | М16 | 24 | 2 | 10 | 40 | 5 | 615 | 122 | 56 |
QW.500.20A | 6 | 624 | 103 | 58 | |||||||||||||
6 | QW.560.20 | 654 | 464 | 70 | 618 | 502 | 14 | 17 | М16 | 30 | 2 | 10 | 50 | 4 | 680 | 169 | 78 |
QW.560.20A | 5 | 685 | 136 | 79 | |||||||||||||
7 | QW.630.20 | 724 | 534 | 70 | 688 | 572 | 16 | 17 | М16 | 30 | 2 | 10 | 50 | 4 | 748 | 186 | 86 |
QW.630.20A | 5 | 755 | 150 | 88 | |||||||||||||
8 | QW.710.20 | 804 | 614 | 70 | 768 | 652 | 18 | 17 | М16 | 30 | 2 | 10 | 50 | 5 | 835 | 166 | 99 |
QW.710.20A | 6 | 840 | 139 | 101 | |||||||||||||
9 | QW.800.20 | 894 | 704 | 70 | 858 | 742 | 20 | 17 | М16 | 30 | 2 | 10 | 50 | 6 | 930 | 154 | 114 |
QW.800.20A | 8 | 936 | 116 | 114 | |||||||||||||
10 | QW.800.25 | 904 | 692 | 78 | 864 | 736 | 18 | 22 | М20 | 36 | 2 | 10 | 58 | 6 | 942 | 156 | 143 |
QW.800.25A | 8 | 952 | 118 | 147 | |||||||||||||
11 | QW.900.25 | 1004 | 792 | 78 | 964 | 836 | 20 | 22 | М20 | 36 | 2 | 10 | 58 | 8 | 1048 | 130 | 162 |
QW.900.25A | 10 | 1060 | 105 | 168 | |||||||||||||
12 | QW.1000.25 | 1104 | 892 | 78 | 1064 | 936 | 24 | 22 | М20 | 36 | 2 | 10 | 58 | 8 | 1152 | 143 | 182 |
QW.1000.25A | 10 | 1160 | 115 | 185 | |||||||||||||
13 | QW.1000.32 | 1120 | 876 | 90 | 1074 | 926 | 24 | 24 | М22 | 40 | 2 | 10 | 70 | 8 | 1160 | 144 | 227 |
QW.1000.32A | 10 | 1170 | 116 | 232 | |||||||||||||
14 | QW.1120.32 | 1240 | 996 | 90 | 1194 | 1046 | 28 | 24 | М22 | 40 | 4 | 10 | 70 | 10 | 1300 | 129 | 272 |
QW.1120.32A | 12 | 1308 | 108 | 275 | |||||||||||||
15 | QW.1250.32 | 1370 | 1126 | 90 | 1324 | 1176 | 32 | 24 | М22 | 40 | 4 | 10 | 70 | 10 | 1430 | 142 | 302 |
QW.1250.32A | 12 | 1440 | 119 | 309 | |||||||||||||
16 | QW.1400.32 | 1520 | 1276 | 90 | 1474 | 1326 | 36 | 24 | М22 | 40 | 4 | 10 | 70 | 12 | 1584 | 131 | 337 |
QW.1400.32A | 14 | 1596 | 113 | 347 | |||||||||||||
17 | QW.1250.40 | 1390 | 1108 | 102 | 1336 | 1164 | 32 | 26 | М24 | 45 | 4 | 12 | 80 | 10 | 1450 | 144 | 396 |
QW.1250.40A | 12 | 1452 | 120 | 392 | |||||||||||||
18 | QW.1400.40 | 1540 | 1258 | 102 | 1486 | 1314 | 36 | 26 | М24 | 45 | 4 | 12 | 80 | 12 | 1608 | 133 | 448 |
QW.1400.40A | 14 | 1610 | 114 | 443 | |||||||||||||
19 | QW.1600.40 | 1740 | 1458 | 102 | 1686 | 1514 | 40 | 26 | М24 | 45 | 4 | 12 | 80 | 12 | 1812 | 150 | 528 |
QW.1600.40A | 14 | 1820 | 129 | 534 | |||||||||||||
20 | QW.1800.40 | 1940 | 1658 | 102 | 1886 | 1714 | 44 | 26 | М24 | 45 | 4 | 12 | 80 | 14 | 2016 | 143 | 583 |
QW.1800.40A | 16 | 2032 | 126 | 607 | |||||||||||||
21 | QW.1600.50 | 1762 | 1434 | 124 | 1704 | 1496 | 40 | 30 | М27 | 50 | 4 | 12 | 100 | 12 | 1824 | 151 | 714 |
QW.1600.50A | 14 | 1834 | 130 | 727 | |||||||||||||
22 | QW.1800.50 | 1964 | 1634 | 124 | 1904 | 1696 | 44 | 30 | М27 | 50 | 4 | 12 | 100 | 14 | 2044 | 145 | 845 |
QW.1800.50A | 16 | 2048 | 127 | 843 | |||||||||||||
23 | QW.2000.50 | 2162 | 1834 | 124 | 2104 | 1896 | 48 | 30 | М27 | 50 | 6 | 12 | 100 | 16 | 2240 | 139 | 912 |
QW.2000.50A | 18 | 2250 | 124 | 927 | |||||||||||||
24 | QW.2240.50 | 2402 | 2074 | 124 | 2344 | 2136 | 54 | 30 | М27 | 50 | 6 | 12 | 100 | 16 | 2480 | 154 | 1020 |
QW.2240.50A | 18 | 2502 | 138 | 1078 | |||||||||||||
25 | QW.2500.50 | 2662 | 2334 | 124 | 2604 | 2396 | 60 | 30 | М27 | 50 | 6 | 12 | 100 | 18 | 2754 | 152 | 1171 |
QW.2500.50A | 20 | 2760 | 137 | 1175 | |||||||||||||
26 | QW.2500.60 | 2696 | 2304 | 150 | 2626 | 2374 | 60 | 33 | М30 | 56 | 6 | 14 | 122 | 18 | 2790 | 154 | 1677 |
QW.2500.60A | 20 | 2800 | 139 | 1701 | |||||||||||||
Примечание:
1. N1 – количество смазочных отверстий.Масляный стакан M10×1JB/T7940.1~JB/T7940.
2. Масляный ниппель местоположение может быть изменено в соответствии с заявкой пользователя.
3. n-φ может измениться на резьбовое отверстие, диаметр резьбового отверстия - M, а глубина - 2M.
4. Тангенциальное усилие зуба в форме является максимальным усилием зуба;номинальное тангенциальное усилие на зуб составляет 1/2 от максимального.
5. 'К' - коэффициент уменьшения дополнения.
Наши преимущества:
Технология Германии и сделано в Китае с хорошим качеством и конкурентоспособной ценой;
Богатый опыт в OEM и ODM;
стабильная и быстрая доставка;
оперативное и ответственное послепродажное обслуживание;
Сертифицирован ISO9001:2008, SGS, CCS и BV.
Упаковка и доставка
1.Заполнение антикоррозийным маслом
2. упаковка с защитными слоями
3. Фиксируется в фанере
4. Условия упаковки: фанерный чехол/ Поддон/стальной каркас
Вопросы-Ответы
1. Термическая обработка поворотного подшипника
Подшипники фирмы XZWD в большинстве случаев поставляются с прямозубым зубом.Короткие зубы также в порядке. Есть два вида закалки зубов.Это нормализация и отпуск. В зависимости от применения существует два способа закалки.Это закалка целых зубов и закалка отдельных зубов.Закалку одного зуба можно разделить на закалку поверхности зуба и корня и закалку поверхности зуба.
2. Защита от коррозии
Мы делаем Защита от коррозии на поверхности подшипника и изготовление пары упаковочной бумаги.
3.Настроить.
Да, у нас есть профессиональные технические понятия.
4.Гарантия:
Общий 1 год.
5. Надежная репутация.
XZWD Поворотный подшипник/поворотный привод поставляет индивидуальные решения клиентам в 34 странах.
Главная | Насчет нас | Товары | Новости | заявка | Служба поддержки | Связаться с нами