| штат: | |
|---|---|
| Количество: | |
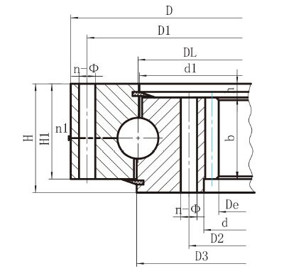
Однорядные шариковые опорно-поворотные устройства с четырехточечным контактом состоят из двух посадочных колец, которые имеют компактную конструкцию, стальной шарик контактирует с кольцевой дорожкой качения в четырех точках;он может выдерживать осевую силу, радиальную силу и опрокидывающий момент одновременно.
Его можно использовать для поворотного конвейера, сварочного манипулятора, крана малой и средней грузоподъемности, экскаватора и другой строительной техники.
Тайтл:Однорядный четырехточечный контактный шарикоподшипник с внутренней шестерней
Вес/кг: 100-8760

Нет | Модель | Dimensions | Монтажные размеры | Структурные размеры | Данные о передаче | Передаточное усилие | Масса | |||||||||||||
D | d | H | Д1 | Д2 | n | мм | n1 | Д3 | d1 | H1 | h | b | x | m | де | z | Закалка | |||
1 | ХСН.25.625 | 725 | 525 | 80 | 685 | 565 | 18 | 18 | 3 | 626 | 624 | 68 | 12 | 60 | 1.4 | 5 | 498.8 | 101 | 5.2 | 100 |
1.15 | 6 | 496.7 | 84 | 6.2 | ||||||||||||||||
2 | ХСН.25.720 | 820 | 620 | 80 | 780 | 660 | 18 | 18 | 3 | 721 | 719 | 68 | 12 | 60 | 1.4 | 6 | 586.6 | 99 | 6.2 | 120 |
1 | 8 | 582.3 | 74 | 8.3 | ||||||||||||||||
3 | ХСН.30.820 | 940 | 705 | 95 | 893 | 749 | 24 | 20 | 4 | 821 | 818 | 83 | 12 | 70 | 1.4 | 6 | 664.5 | 112 | 7.2 | 210 |
1 | 10 | 658 | 67 | 12.2 | ||||||||||||||||
4 | ХСН.30.880 | 1000 | 760 | 95 | 956 | 800 | 24 | 20 | 4 | 881 | 878 | 83 | 12 | 70 | 1.15 | 8 | 718.2 | 91 | 9.7 | 230 |
1 | 10 | 707.9 | 72 | 12.2 | ||||||||||||||||
5 | ХСН.30.1020 | 1170 | 875 | 95 | 1120 | 930 | 24 | 22 | 4 | 1021 | 1018 | 80 | 15 | 70 | 1.4 | 8 | 830.1 | 105 | 9.7 | 300 |
1.15 | 10 | 827.8 | 84 | 12.2 | ||||||||||||||||
6 | ХСН.30.1220 | 1365 | 1075 | 120 | 1310 | 1130 | 36 | 24 | 6 | 1221 | 1218 | 105 | 15 | 90 | 1.4 | 10 | 1027.8 | 104 | 15.7 | 450 |
1 | 12 | 1017.3 | 86 | 18.8 | ||||||||||||||||
7 | ХСН.35.1250 | 1400 | 1090 | 120 | 1350 | 1150 | 36 | 26 | 6 | 1251 | 1248 | 105 | 15 | 90 | -0.35 | 10 | 1037 | 105 | 15.7 | 520 |
1 | 12 | 1028.8 | 87 | 18.8 | ||||||||||||||||
8 | ХСН.35.1435 | 1595 | 1278 | 120 | 1535 | 1335 | 36 | 26 | 6 | 1436 | 1433 | 105 | 15 | 90 | 1.15 | 12 | 1221.2 | 103 | 18.8 | 610 |
1 | 14 | 1214.8 | 88 | 21.9 | ||||||||||||||||
9 | ХСН.35.1540 | 1720 | 1360 | 140 | 1660 | 1420 | 42 | 26 | 6 | 1541 | 1538 | 122 | 18 | 110 | 1.4 | 12 | 1293.1 | 109 | 23 | 732 |
1.15 | 14 | 1284.8 | 93 | 26.8 | ||||||||||||||||
10 | ХСН.35.1700 | 1875 | 1525 | 140 | 1815 | 1585 | 42 | 29 | 6 | 1701 | 1698 | 122 | 18 | 110 | 1.15 | 14 | 1452.7 | 105 | 26.8 | 844 |
1.15 | 16 | 1452.3 | 92 | 30.5 | ||||||||||||||||
11 | ХСН.40.1880 | 2100 | 1665 | 160 | 2030 | 1740 | 48 | 32 | 6 | 1881 | 1878 | 140 | 20 | 115 | 1.4 | 14 | 1592.6 | 115 | 27.8 | 1400 |
1.15 | 18 | 1579.9 | 89 | 35.8 | ||||||||||||||||
12 | ХСН.40.2115 | 2325 | 1900 | 160 | 2245 | 1980 | 48 | 32 | 6 | 2116 | 2113 | 140 | 20 | 115 | 1.4 | 16 | 1804.1 | 114 | 31.9 | 1600 |
ХСН.40.2115А | 1.15 | 20 | 1795.4 | 91 | 40 | |||||||||||||||
13 | ХСН.40.2370 | 2600 | 2146 | 180 | 2520 | 2220 | 48 | 32 | 6 | 2371 | 2368 | 158 | 22 | 130 | 1.4 | 18 | 2065.6 | 116 | 40.7 | 2100 |
ХСН.40.2370А | 1.15 | 22 | 2040.9 | 94 | 49.7 | |||||||||||||||
14 | ХСН.40.2600 | 2835 | 2365 | 180 | 2750 | 2450 | 54 | 36 | 6 | 2601 | 2598 | 158 | 22 | 130 | 1.4 | 18 | 2263.5 | 127 | 37.6 | 2400 |
ХСН.40.2600А | 1.15 | 22 | 2260.8 | 104 | 45.9 | |||||||||||||||
15 | ХСН.50.2820 | 3085 | 2555 | 200 | 3000 | 2640 | 54 | 36 | 6 | 2822 | 2818 | 178 | 22 | 150 | 1.4 | 20 | 2455 | 124 | 52.2 | 3400 |
ХСН.50.2820А | 1.15 | 25 | 2444.1 | 99 | 65.3 | |||||||||||||||
16 | ХСН.50.3120 | 3400 | 2840 | 200 | 3310 | 2930 | 54 | 36 | 6 | 3122 | 3118 | 178 | 22 | 150 | 1.4 | 22 | 2722.5 | 125 | 57.4 | 4000 |
ХСН.50.3120А | 1.4 | 25 | 2719 | 110 | 65.3 | |||||||||||||||
17 | ХСН.50.3580 | 3920 | 3240 | 240 | 3820 | 3340 | 60 | 40 | 6 | 3582 | 3578 | 218 | 22 | 190 | 1.4 | 22 | 3118.4 | 143 | 72.7 | 6700 |
ХСН.50.3580А | 1.4 | 25 | 3118.8 | 126 | 82.6 | |||||||||||||||
18 | ХСН.50.4030 | 4370 | 3690 | 240 | 4270 | 3790 | 66 | 40 | 6 | 4032 | 4028 | 218 | 22 | 190 | 1.4 | 22 | 3558.3 | 163 | 53.6 | 7700 |
ХСН.50.4030А | 1.4 | 28 | 3549 | 128 | 68.2 | |||||||||||||||
19 | ХСН.50.4540 | 4860 | 4210 | 240 | 4760 | 4310 | 72 | 40 | 6 | 4542 | 4538 | 218 | 22 | 190 | 1.4 | 22 | 4042.2 | 185 | 72.1 | 8760 |
ХСН.50.4540А | 1.4 | 30 | 4042.4 | 136 | 99.1 | |||||||||||||||
Примечание:
1. N1 – количество смазочных отверстий.Масляный стакан M10×1JB/T7940.1~JB/T7940.2
2. n-φ может измениться на резьбовое отверстие, ширина зуба может измениться на Hh.
3. Тангенциальное усилие зуба в форме является максимальным усилием зуба;номинальное тангенциальное усилие на зуб составляет 1/2 от максимального.
Однорядные шариковые опорно-поворотные устройства с четырехточечным контактом состоят из двух посадочных колец, которые имеют компактную конструкцию, стальной шарик контактирует с кольцевой дорожкой качения в четырех точках;он может выдерживать осевую силу, радиальную силу и опрокидывающий момент одновременно.
Его можно использовать для поворотного конвейера, сварочного манипулятора, крана малой и средней грузоподъемности, экскаватора и другой строительной техники.
Тайтл:Однорядный четырехточечный контактный шарикоподшипник с внутренней шестерней
Вес/кг: 100-8760

Нет | Модель | Dimensions | Монтажные размеры | Структурные размеры | Данные о передаче | Передаточное усилие | Масса | |||||||||||||
D | d | H | Д1 | Д2 | n | мм | n1 | Д3 | d1 | H1 | h | b | x | m | де | z | Закалка | |||
1 | ХСН.25.625 | 725 | 525 | 80 | 685 | 565 | 18 | 18 | 3 | 626 | 624 | 68 | 12 | 60 | 1.4 | 5 | 498.8 | 101 | 5.2 | 100 |
1.15 | 6 | 496.7 | 84 | 6.2 | ||||||||||||||||
2 | ХСН.25.720 | 820 | 620 | 80 | 780 | 660 | 18 | 18 | 3 | 721 | 719 | 68 | 12 | 60 | 1.4 | 6 | 586.6 | 99 | 6.2 | 120 |
1 | 8 | 582.3 | 74 | 8.3 | ||||||||||||||||
3 | ХСН.30.820 | 940 | 705 | 95 | 893 | 749 | 24 | 20 | 4 | 821 | 818 | 83 | 12 | 70 | 1.4 | 6 | 664.5 | 112 | 7.2 | 210 |
1 | 10 | 658 | 67 | 12.2 | ||||||||||||||||
4 | ХСН.30.880 | 1000 | 760 | 95 | 956 | 800 | 24 | 20 | 4 | 881 | 878 | 83 | 12 | 70 | 1.15 | 8 | 718.2 | 91 | 9.7 | 230 |
1 | 10 | 707.9 | 72 | 12.2 | ||||||||||||||||
5 | ХСН.30.1020 | 1170 | 875 | 95 | 1120 | 930 | 24 | 22 | 4 | 1021 | 1018 | 80 | 15 | 70 | 1.4 | 8 | 830.1 | 105 | 9.7 | 300 |
1.15 | 10 | 827.8 | 84 | 12.2 | ||||||||||||||||
6 | ХСН.30.1220 | 1365 | 1075 | 120 | 1310 | 1130 | 36 | 24 | 6 | 1221 | 1218 | 105 | 15 | 90 | 1.4 | 10 | 1027.8 | 104 | 15.7 | 450 |
1 | 12 | 1017.3 | 86 | 18.8 | ||||||||||||||||
7 | ХСН.35.1250 | 1400 | 1090 | 120 | 1350 | 1150 | 36 | 26 | 6 | 1251 | 1248 | 105 | 15 | 90 | -0.35 | 10 | 1037 | 105 | 15.7 | 520 |
1 | 12 | 1028.8 | 87 | 18.8 | ||||||||||||||||
8 | ХСН.35.1435 | 1595 | 1278 | 120 | 1535 | 1335 | 36 | 26 | 6 | 1436 | 1433 | 105 | 15 | 90 | 1.15 | 12 | 1221.2 | 103 | 18.8 | 610 |
1 | 14 | 1214.8 | 88 | 21.9 | ||||||||||||||||
9 | ХСН.35.1540 | 1720 | 1360 | 140 | 1660 | 1420 | 42 | 26 | 6 | 1541 | 1538 | 122 | 18 | 110 | 1.4 | 12 | 1293.1 | 109 | 23 | 732 |
1.15 | 14 | 1284.8 | 93 | 26.8 | ||||||||||||||||
10 | ХСН.35.1700 | 1875 | 1525 | 140 | 1815 | 1585 | 42 | 29 | 6 | 1701 | 1698 | 122 | 18 | 110 | 1.15 | 14 | 1452.7 | 105 | 26.8 | 844 |
1.15 | 16 | 1452.3 | 92 | 30.5 | ||||||||||||||||
11 | ХСН.40.1880 | 2100 | 1665 | 160 | 2030 | 1740 | 48 | 32 | 6 | 1881 | 1878 | 140 | 20 | 115 | 1.4 | 14 | 1592.6 | 115 | 27.8 | 1400 |
1.15 | 18 | 1579.9 | 89 | 35.8 | ||||||||||||||||
12 | ХСН.40.2115 | 2325 | 1900 | 160 | 2245 | 1980 | 48 | 32 | 6 | 2116 | 2113 | 140 | 20 | 115 | 1.4 | 16 | 1804.1 | 114 | 31.9 | 1600 |
ХСН.40.2115А | 1.15 | 20 | 1795.4 | 91 | 40 | |||||||||||||||
13 | ХСН.40.2370 | 2600 | 2146 | 180 | 2520 | 2220 | 48 | 32 | 6 | 2371 | 2368 | 158 | 22 | 130 | 1.4 | 18 | 2065.6 | 116 | 40.7 | 2100 |
ХСН.40.2370А | 1.15 | 22 | 2040.9 | 94 | 49.7 | |||||||||||||||
14 | ХСН.40.2600 | 2835 | 2365 | 180 | 2750 | 2450 | 54 | 36 | 6 | 2601 | 2598 | 158 | 22 | 130 | 1.4 | 18 | 2263.5 | 127 | 37.6 | 2400 |
ХСН.40.2600А | 1.15 | 22 | 2260.8 | 104 | 45.9 | |||||||||||||||
15 | ХСН.50.2820 | 3085 | 2555 | 200 | 3000 | 2640 | 54 | 36 | 6 | 2822 | 2818 | 178 | 22 | 150 | 1.4 | 20 | 2455 | 124 | 52.2 | 3400 |
ХСН.50.2820А | 1.15 | 25 | 2444.1 | 99 | 65.3 | |||||||||||||||
16 | ХСН.50.3120 | 3400 | 2840 | 200 | 3310 | 2930 | 54 | 36 | 6 | 3122 | 3118 | 178 | 22 | 150 | 1.4 | 22 | 2722.5 | 125 | 57.4 | 4000 |
ХСН.50.3120А | 1.4 | 25 | 2719 | 110 | 65.3 | |||||||||||||||
17 | ХСН.50.3580 | 3920 | 3240 | 240 | 3820 | 3340 | 60 | 40 | 6 | 3582 | 3578 | 218 | 22 | 190 | 1.4 | 22 | 3118.4 | 143 | 72.7 | 6700 |
ХСН.50.3580А | 1.4 | 25 | 3118.8 | 126 | 82.6 | |||||||||||||||
18 | ХСН.50.4030 | 4370 | 3690 | 240 | 4270 | 3790 | 66 | 40 | 6 | 4032 | 4028 | 218 | 22 | 190 | 1.4 | 22 | 3558.3 | 163 | 53.6 | 7700 |
ХСН.50.4030А | 1.4 | 28 | 3549 | 128 | 68.2 | |||||||||||||||
19 | ХСН.50.4540 | 4860 | 4210 | 240 | 4760 | 4310 | 72 | 40 | 6 | 4542 | 4538 | 218 | 22 | 190 | 1.4 | 22 | 4042.2 | 185 | 72.1 | 8760 |
ХСН.50.4540А | 1.4 | 30 | 4042.4 | 136 | 99.1 | |||||||||||||||
Примечание:
1. N1 – количество смазочных отверстий.Масляный стакан M10×1JB/T7940.1~JB/T7940.2
2. n-φ может измениться на резьбовое отверстие, ширина зуба может измениться на Hh.
3. Тангенциальное усилие зуба в форме является максимальным усилием зуба;номинальное тангенциальное усилие на зуб составляет 1/2 от максимального.
Главная | Насчет нас | Товары | Новости | заявка | Служба поддержки | Связаться с нами