| штат: | |
|---|---|
| Количество: | |
A поворотный подшипник или же поворотное кольцо вращательный подшипник качения или же подшипник скольжения который обычно поддерживает тяжелую, но медленно вращающуюся или медленно колеблющуюся нагрузку, часто горизонтальную платформу, такую как обычная кран, а дворник на качелях, или обращенная к ветру платформа горизонтальной оси ветряная мельница.(«Убить» означает повернуться, не меняя места.)
По сравнению с другими подшипниками качения поворотные подшипники имеют тонкое сечение и часто изготавливаются диаметром в метр и более;поворотные подшипники на Фолкеркское колесо имеют диаметр 4 метра и подходят к оси длиной 3,5 метра.Поворотные подшипники напоминают увеличенные подшипники рулевой поверхности самолета.
В поворотных подшипниках часто используются два ряда тел качения.Часто используют три гонка элементы, такие как внутреннее кольцо и две «половинки» внешнего кольца, которые скрепляются вместе в осевом направлении.
Опорно-поворотные подшипники часто изготавливаются с зубьями шестерни, составляющими одно целое с внутренней или внешней обоймой, используемой для привода платформы относительно основания.
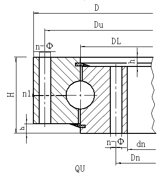
НЕТ | Модель | Размеры (мм) | Монтажные размеры (мм) | Структурные размеры (мм) | Данные о передаче | ||||||||||||
Безредукторный | H | Ду | Дн | n | Сквозное отверстие A | Резьбовое отверстие Б/В/Д | n1 Масляный стакан Кол-во | h | B | m | |||||||
де | Шестерни Кол-во z | Масса | |||||||||||||||
D | d | φ | d1 | T | |||||||||||||
мм | мм | мм | мм | кг | |||||||||||||
1 | 408 | 222 | 60 | 370 | 260 | 10 | 18 | М16 | 24 | 2 | 10 | 34 | |||||
2 | 448 | 262 | 60 | 410 | 300 | 10 | 18 | М16 | 24 | 2 | 10 | 39 | |||||
3 | 493 | 307 | 60 | 455 | 345 | 12 | 18 | М16 | 24 | 2 | 10 | 44 | |||||
4 | 543 | 357 | 60 | 505 | 395 | 12 | 18 | М16 | 24 | 2 | 10 | 50 | |||||
5 | 593 | 407 | 60 | 555 | 445 | 14 | 18 | М16 | 24 | 2 | 10 | 55 | |||||
6 | 656 | 464 | 70 | 618 | 502 | 14 | 18 | М16 | 30 | 2 | 10 | 76 | |||||
7 | 726 | 534 | 70 | 688 | 572 | 16 | 18 | М16 | 30 | 2 | 10 | 84 | |||||
8 | 806 | 614 | 70 | 768 | 652 | 18 | 18 | М16 | 30 | 2 | 10 | 97 | |||||
9 | QU.800.20 | 896 | 704 | 70 | 858 | 742 | 20 | 18 | М16 | 30 | 2 | 10 | 110 | ||||
10 | 908 | 692 | 78 | 864 | 736 | 18 | 22 | М20 | 36 | 2 | 10 | 142 | |||||
11 | 1008 | 792 | 78 | 964 | 836 | 20 | 22 | М20 | 36 | 2 | 10 | 163 | |||||
12 | QU.1000,25 | 1108 | 892 | 78 | 1064 | 936 | 24 | 22 | М20 | 36 | 2 | 10 | 178 | ||||
13 | 1124 | 876 | 90 | 1074 | 926 | 24 | 24 | М22 | 40 | 2 | 10 | 230 | |||||
14 | 1244 | 996 | 90 | 1194 | 1046 | 28 | 24 | М22 | 40 | 4 | 10 | 263 | |||||
15 | QU.1250.32 | 1374 | 1126 | 90 | 1324 | 1176 | 32 | 24 | М22 | 40 | 4 | 10 | 294 | ||||
16 | QU.1400.32 | 1524 | 1276 | 90 | 1474 | 1326 | 36 | 24 | М22 | 40 | 4 | 10 | 333 | ||||
17 | 1394 | 1108 | 102 | 1336 | 1164 | 32 | 26 | М24 | 45 | 4 | 12 | 388 | |||||
18 | 1544 | 1258 | 102 | 1486 | 1314 | 36 | 26 | М24 | 45 | 4 | 12 | 444 | |||||
19 | QU.1600.40 | 1744 | 1458 | 102 | 1686 | 1514 | 40 | 26 | М24 | 45 | 4 | 12 | 509 | ||||
20 | QU.1800.40 | 1944 | 1658 | 102 | 1886 | 1714 | 44 | 26 | М24 | 45 | 4 | 12 | 576 | ||||
21 | 1766 | 1434 | 124 | 1704 | 1496 | 40 | 30 | М27 | 50 | 4 | 12 | 714 | |||||
22 | 1966 | 1634 | 124 | 1904 | 1696 | 44 | 30 | М27 | 50 | 4 | 12 | 794 | |||||
23 | QU.2000.50 | 2166 | 1834 | 124 | 2104 | 1896 | 48 | 30 | М27 | 50 | 6 | 12 | 891 | ||||
24 | QU.2240.50 | 2406 | 2074 | 124 | 2344 | 2136 | 54 | 30 | М27 | 50 | 6 | 12 | 1044 | ||||
25 | QU.2500.50 | 2666 | 2334 | 124 | 2604 | 2396 | 60 | 30 | М27 | 50 | 6 | 12 | 1132 | ||||
26 | QU.2500.60 | 2696 | 2304 | 150 | 2626 | 2374 | 60 | 33 | М30 | 56 | 6 | 14 | 1621 | ||||
Примечание:
1. n1 - количество смазочных отверстий. Масляный колпачок M10×1JB/T7940.1~JB/T7940.2. Расположение масляного ниппеля может быть изменено в соответствии с требованиями пользователя.
2. n-φ можно изменить на резьбовое отверстие, диаметр резьбового отверстия M, глубина 2M.
3. 'К' - понижающий коэффициент дополнения.
A поворотный подшипник или же поворотное кольцо вращательный подшипник качения или же подшипник скольжения который обычно поддерживает тяжелую, но медленно вращающуюся или медленно колеблющуюся нагрузку, часто горизонтальную платформу, такую как обычная кран, а дворник на качелях, или обращенная к ветру платформа горизонтальной оси ветряная мельница.(«Убить» означает повернуться, не меняя места.)
По сравнению с другими подшипниками качения поворотные подшипники имеют тонкое сечение и часто изготавливаются диаметром в метр и более;поворотные подшипники на Фолкеркское колесо имеют диаметр 4 метра и подходят к оси длиной 3,5 метра.Поворотные подшипники напоминают увеличенные подшипники рулевой поверхности самолета.
В поворотных подшипниках часто используются два ряда тел качения.Часто используют три гонка элементы, такие как внутреннее кольцо и две «половинки» внешнего кольца, которые скрепляются вместе в осевом направлении.
Опорно-поворотные подшипники часто изготавливаются с зубьями шестерни, составляющими одно целое с внутренней или внешней обоймой, используемой для привода платформы относительно основания.
НЕТ | Модель | Размеры (мм) | Монтажные размеры (мм) | Структурные размеры (мм) | Данные о передаче | ||||||||||||
Безредукторный | H | Ду | Дн | n | Сквозное отверстие A | Резьбовое отверстие Б/В/Д | n1 Масляный стакан Кол-во | h | B | m | |||||||
де | Шестерни Кол-во z | Масса | |||||||||||||||
D | d | φ | d1 | T | |||||||||||||
мм | мм | мм | мм | кг | |||||||||||||
1 | 408 | 222 | 60 | 370 | 260 | 10 | 18 | М16 | 24 | 2 | 10 | 34 | |||||
2 | 448 | 262 | 60 | 410 | 300 | 10 | 18 | М16 | 24 | 2 | 10 | 39 | |||||
3 | 493 | 307 | 60 | 455 | 345 | 12 | 18 | М16 | 24 | 2 | 10 | 44 | |||||
4 | 543 | 357 | 60 | 505 | 395 | 12 | 18 | М16 | 24 | 2 | 10 | 50 | |||||
5 | 593 | 407 | 60 | 555 | 445 | 14 | 18 | М16 | 24 | 2 | 10 | 55 | |||||
6 | 656 | 464 | 70 | 618 | 502 | 14 | 18 | М16 | 30 | 2 | 10 | 76 | |||||
7 | 726 | 534 | 70 | 688 | 572 | 16 | 18 | М16 | 30 | 2 | 10 | 84 | |||||
8 | 806 | 614 | 70 | 768 | 652 | 18 | 18 | М16 | 30 | 2 | 10 | 97 | |||||
9 | QU.800.20 | 896 | 704 | 70 | 858 | 742 | 20 | 18 | М16 | 30 | 2 | 10 | 110 | ||||
10 | 908 | 692 | 78 | 864 | 736 | 18 | 22 | М20 | 36 | 2 | 10 | 142 | |||||
11 | 1008 | 792 | 78 | 964 | 836 | 20 | 22 | М20 | 36 | 2 | 10 | 163 | |||||
12 | QU.1000,25 | 1108 | 892 | 78 | 1064 | 936 | 24 | 22 | М20 | 36 | 2 | 10 | 178 | ||||
13 | 1124 | 876 | 90 | 1074 | 926 | 24 | 24 | М22 | 40 | 2 | 10 | 230 | |||||
14 | 1244 | 996 | 90 | 1194 | 1046 | 28 | 24 | М22 | 40 | 4 | 10 | 263 | |||||
15 | QU.1250.32 | 1374 | 1126 | 90 | 1324 | 1176 | 32 | 24 | М22 | 40 | 4 | 10 | 294 | ||||
16 | QU.1400.32 | 1524 | 1276 | 90 | 1474 | 1326 | 36 | 24 | М22 | 40 | 4 | 10 | 333 | ||||
17 | 1394 | 1108 | 102 | 1336 | 1164 | 32 | 26 | М24 | 45 | 4 | 12 | 388 | |||||
18 | 1544 | 1258 | 102 | 1486 | 1314 | 36 | 26 | М24 | 45 | 4 | 12 | 444 | |||||
19 | QU.1600.40 | 1744 | 1458 | 102 | 1686 | 1514 | 40 | 26 | М24 | 45 | 4 | 12 | 509 | ||||
20 | QU.1800.40 | 1944 | 1658 | 102 | 1886 | 1714 | 44 | 26 | М24 | 45 | 4 | 12 | 576 | ||||
21 | 1766 | 1434 | 124 | 1704 | 1496 | 40 | 30 | М27 | 50 | 4 | 12 | 714 | |||||
22 | 1966 | 1634 | 124 | 1904 | 1696 | 44 | 30 | М27 | 50 | 4 | 12 | 794 | |||||
23 | QU.2000.50 | 2166 | 1834 | 124 | 2104 | 1896 | 48 | 30 | М27 | 50 | 6 | 12 | 891 | ||||
24 | QU.2240.50 | 2406 | 2074 | 124 | 2344 | 2136 | 54 | 30 | М27 | 50 | 6 | 12 | 1044 | ||||
25 | QU.2500.50 | 2666 | 2334 | 124 | 2604 | 2396 | 60 | 30 | М27 | 50 | 6 | 12 | 1132 | ||||
26 | QU.2500.60 | 2696 | 2304 | 150 | 2626 | 2374 | 60 | 33 | М30 | 56 | 6 | 14 | 1621 | ||||
Примечание:
1. n1 - количество смазочных отверстий. Масляный колпачок M10×1JB/T7940.1~JB/T7940.2. Расположение масляного ниппеля может быть изменено в соответствии с требованиями пользователя.
2. n-φ можно изменить на резьбовое отверстие, диаметр резьбового отверстия M, глубина 2M.
3. 'К' - понижающий коэффициент дополнения.
Главная | Насчет нас | Товары | Новости | заявка | Служба поддержки | Связаться с нами