| штат: | |
|---|---|
| Количество: | |
Поворотный подшипник или поворотное кольцо вращательный подшипник качения или же подшипник скольжения который обычно поддерживает тяжелую, но медленно вращающуюся или медленно колеблющуюся нагрузку, часто горизонтальную платформу, такую как обычная кран, а дворник на качелях, или обращенная к ветру платформа горизонтальной оси ветряная мельница.(«Убить» означает повернуться, не меняя места.)
По сравнению с другими подшипниками качения поворотные подшипники имеют тонкое сечение и часто изготавливаются диаметром в метр и более;поворотные подшипники на Фолкеркское колесо имеют диаметр 4 метра и подходят к оси длиной 3,5 метра.Поворотные подшипники напоминают увеличенные подшипники рулевой поверхности самолета.
В поворотных подшипниках часто используются два ряда тел качения.Часто используют три гонка элементы, такие как внутреннее кольцо и две «половинки» внешнего кольца, которые скрепляются вместе в осевом направлении.
Опорно-поворотные подшипники часто изготавливаются с зубьями шестерни, составляющими одно целое с внутренней или внешней обоймой, используемой для привода платформы относительно основания.
Что касается других подшипников, которые совершают возвратно-поступательное движение, а не вращаются непрерывно, смазка может быть затруднена. нефтяной клин образованный в непрерывно вращающемся подшипнике, прерывается стопорным движением поворота.Вместо этого гидростатический подшипник с перекачиваемым потоком масла.
Однорядный поворотный подшипник с перекрестными роликами, состоит из двух посадочных мест, компактной конструкции, высокой точности, небольшого зазора при сборке, требования к точности установки высоки, ролик с перекрестным расположением 1: 1 может одновременно выдерживать осевую силу, опрокидывание момента и большой радиальной силы, широко используется в транспортной, инженерной технике и военной продукции.

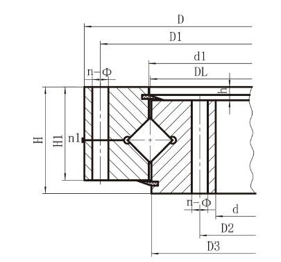
Нет | Модель Pdf.формат | Dimensions | Монтажный размер | Структурный размер | Масса кг | |||||||||
D | d | H | Д1 | Д2 | n | мм | n1 | Д3 | d1 | H1 | h | |||
1 | HJB.20.625 | 725 | 525 | 80 | 685 | 565 | 18 | 18 | 3 | 627 | 623 | 68 | 12 | 100 |
2 | HJB.20.720 | 820 | 620 | 80 | 780 | 660 | 18 | 18 | 3 | 722 | 718 | 68 | 12 | 120 |
3 | HJB.30.820 | 940 | 705 | 95 | 893 | 749 | 24 | 20 | 4 | 822 | 818 | 83 | 12 | 210 |
4 | HJB.30.880 | 1000 | 760 | 95 | 956 | 800 | 24 | 20 | 4 | 882 | 878 | 83 | 12 | 230 |
5 | HJB.30.1020 | 1170 | 875 | 95 | 1120 | 930 | 24 | 22 | 4 | 1022 | 1018 | 80 | 15 | 300 |
6 | HJB.36.1220 | 1365 | 1075 | 120 | 1310 | 1130 | 36 | 24 | 6 | 1222 | 1218 | 105 | 15 | 450 |
7 | HJB.36.1250 | 1400 | 1090 | 120 | 1350 | 1150 | 36 | 26 | 6 | 1252 | 1248 | 105 | 15 | 520 |
8 | HJB.36.1435 | 1595 | 1278 | 120 | 1535 | 1335 | 36 | 26 | 6 | 1437 | 1433 | 105 | 15 | 610 |
9 | HJB.45.1540 | 1720 | 1360 | 140 | 1660 | 1420 | 42 | 26 | 6 | 1543 | 4537 | 122 | 18 | 732 |
10 | HJB.45.1700 | 1875 | 1525 | 140 | 1815 | 1585 | 42 | 29 | 6 | 1703 | 1697 | 122 | 18 | 844 |
11 | HJB.45.1880 | 2100 | 1665 | 160 | 2030 | 1740 | 48 | 32 | 6 | 1883 | 1876 | 140 | 20 | 1400 |
12 | HJB.45.2115 | 2325 | 1900 | 160 | 2245 | 1980 | 48 | 32 | 6 | 2118 | 2112 | 140 | 20 | 1600 |
13 | HJB.45.2370 | 2600 | 2146 | 180 | 2520 | 2220 | 48 | 32 | 6 | 2373 | 2367 | 158 | 22 | 2100 |
Поворотный подшипник или поворотное кольцо вращательный подшипник качения или же подшипник скольжения который обычно поддерживает тяжелую, но медленно вращающуюся или медленно колеблющуюся нагрузку, часто горизонтальную платформу, такую как обычная кран, а дворник на качелях, или обращенная к ветру платформа горизонтальной оси ветряная мельница.(«Убить» означает повернуться, не меняя места.)
По сравнению с другими подшипниками качения поворотные подшипники имеют тонкое сечение и часто изготавливаются диаметром в метр и более;поворотные подшипники на Фолкеркское колесо имеют диаметр 4 метра и подходят к оси длиной 3,5 метра.Поворотные подшипники напоминают увеличенные подшипники рулевой поверхности самолета.
В поворотных подшипниках часто используются два ряда тел качения.Часто используют три гонка элементы, такие как внутреннее кольцо и две «половинки» внешнего кольца, которые скрепляются вместе в осевом направлении.
Опорно-поворотные подшипники часто изготавливаются с зубьями шестерни, составляющими одно целое с внутренней или внешней обоймой, используемой для привода платформы относительно основания.
Что касается других подшипников, которые совершают возвратно-поступательное движение, а не вращаются непрерывно, смазка может быть затруднена. нефтяной клин образованный в непрерывно вращающемся подшипнике, прерывается стопорным движением поворота.Вместо этого гидростатический подшипник с перекачиваемым потоком масла.
Однорядный поворотный подшипник с перекрестными роликами, состоит из двух посадочных мест, компактной конструкции, высокой точности, небольшого зазора при сборке, требования к точности установки высоки, ролик с перекрестным расположением 1: 1 может одновременно выдерживать осевую силу, опрокидывание момента и большой радиальной силы, широко используется в транспортной, инженерной технике и военной продукции.

Нет | Модель Pdf.формат | Dimensions | Монтажный размер | Структурный размер | Масса кг | |||||||||
D | d | H | Д1 | Д2 | n | мм | n1 | Д3 | d1 | H1 | h | |||
1 | HJB.20.625 | 725 | 525 | 80 | 685 | 565 | 18 | 18 | 3 | 627 | 623 | 68 | 12 | 100 |
2 | HJB.20.720 | 820 | 620 | 80 | 780 | 660 | 18 | 18 | 3 | 722 | 718 | 68 | 12 | 120 |
3 | HJB.30.820 | 940 | 705 | 95 | 893 | 749 | 24 | 20 | 4 | 822 | 818 | 83 | 12 | 210 |
4 | HJB.30.880 | 1000 | 760 | 95 | 956 | 800 | 24 | 20 | 4 | 882 | 878 | 83 | 12 | 230 |
5 | HJB.30.1020 | 1170 | 875 | 95 | 1120 | 930 | 24 | 22 | 4 | 1022 | 1018 | 80 | 15 | 300 |
6 | HJB.36.1220 | 1365 | 1075 | 120 | 1310 | 1130 | 36 | 24 | 6 | 1222 | 1218 | 105 | 15 | 450 |
7 | HJB.36.1250 | 1400 | 1090 | 120 | 1350 | 1150 | 36 | 26 | 6 | 1252 | 1248 | 105 | 15 | 520 |
8 | HJB.36.1435 | 1595 | 1278 | 120 | 1535 | 1335 | 36 | 26 | 6 | 1437 | 1433 | 105 | 15 | 610 |
9 | HJB.45.1540 | 1720 | 1360 | 140 | 1660 | 1420 | 42 | 26 | 6 | 1543 | 4537 | 122 | 18 | 732 |
10 | HJB.45.1700 | 1875 | 1525 | 140 | 1815 | 1585 | 42 | 29 | 6 | 1703 | 1697 | 122 | 18 | 844 |
11 | HJB.45.1880 | 2100 | 1665 | 160 | 2030 | 1740 | 48 | 32 | 6 | 1883 | 1876 | 140 | 20 | 1400 |
12 | HJB.45.2115 | 2325 | 1900 | 160 | 2245 | 1980 | 48 | 32 | 6 | 2118 | 2112 | 140 | 20 | 1600 |
13 | HJB.45.2370 | 2600 | 2146 | 180 | 2520 | 2220 | 48 | 32 | 6 | 2373 | 2367 | 158 | 22 | 2100 |
Главная | Насчет нас | Товары | Новости | заявка | Служба поддержки | Связаться с нами