Вы здесь: ~!phoenix_var0!~ » ~!phoenix_var0!~ » Поворотные кольца » Однорядные четырехточечные контактные шарикоподшипники

Однорядные четырехточечные контактные шарикоподшипники

Просмотры:1     Автор:Микки Сан     Время публикации: 2018-09-05      Происхождение:Работает

Запрос цены

facebook sharing button
twitter sharing button
line sharing button
wechat sharing button
linkedin sharing button
pinterest sharing button
whatsapp sharing button
sharethis sharing button

Однорядный шариковый поворотный подшипник имеет четырехточечный контактный подшипник, в нем всего один ряд стальных шариков. Они могут одновременно выдерживать осевую нагрузку, радиальную нагрузку и опрокидывающий момент. Однорядные четырехточечные контактные шариковые поворотные кольца состоят из двух посадочных колец, которые имеют компактную конструкцию и легкий вес, стальной шариковый контакт с круговой дорожкой качения в четырех точках.

Существует три типа этого однорядного четырехточечного контактного шарикоподшипника: без зубчатого подшипника (без зубьев), наружного зубчатого подшипника (с наружным зубом) и внутреннего зубчатого подшипника (с внутренним зубом).

Однорядный шариковый поворотный подшипник является основным типом, наиболее широко используемым в различных областях.

1. Внешняя передача Однорядный четырехточечный шарикоподшипник

 Имеет внешний зуб, диапазон наружного диаметра может быть от 280 мм до 4726 мм. которые в основном применяются в портовой технике, горнодобывающей технике, сварочном оборудовании, строительных машинах, модульных транспортных средствах.

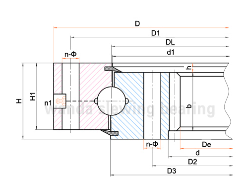
структурная особенность выглядит следующим образом:

Внешняя передача Однорядный четырехточечный шарикоподшипник

2.Внутренняя передача Однорядный четырехточечный шарикоподшипник


Он имеет внутренний зуб, диапазон внутреннего диаметра может быть от 222 мм до 4272 мм. которые в основном применяются в портовой технике, горнодобывающей технике, сварочном оборудовании, строительных машинах, модульных транспортных средствах.

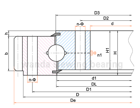
структурная особенность выглядит следующим образом:

Внутренняя передача Однорядный четырехточечный шарикоподшипник

2.Без редуктора Однорядный четырехточечный шарикоподшипник

Он имеет не зуб, диапазон внешнего диаметра может быть от 280 мм до 4226 мм. которые в основном применяются в портовой технике, горнодобывающей технике, сварочном оборудовании, строительных машинах, модульных транспортных средствах.

конструктивная особенность как следующий рисунок:Однорядный четырехточечный шарикоподшипник (01) Без редуктора tadano автокран kubota ntn поворотный подшипник

Если у вас есть какие-либо требования, пожалуйста, свяжитесь с нами!

Если у вас есть какие-либо требования, пожалуйста, свяжитесь с нами!


Вам может понравиться

Сюйчжоу WanDa поворотный подшипник Co., Ltd.
Еще один выбор для вас!
Xuzhou WanDa Slewing Bearing Co.,Ltd.
 丨Добавить: No.8, Dianchang North Road, зона высокотехнологичного промышленного развития, город Сюйчжоу, провинция Цзянсу, Китай.
 丨+86-516-83309366
 丨 info@slew-bearing.com
 丨 +86-180 2053 7858
Главная
СВЯЗАТЬСЯ С НАМИ