Просмотры:6 Автор:Иньин Чжоу Время публикации: 2018-08-07 Происхождение:Работает
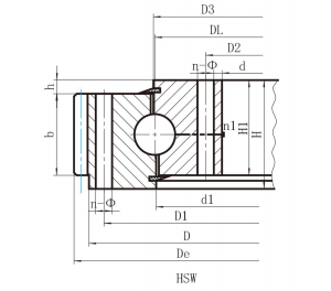
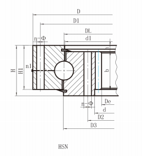
однорядное четырехточечное контактное шариковое поворотное кольцо Состоит из двух пружин. Имеет компактную конструкцию, легкий вес, шарики соприкасаются с круговой дорожкой качения в четырех точках, благодаря которым осевая сила, радиальная сила и результирующий момент могут возникать одновременно. Может использоваться для поворотных конвейеров. , сварочные пульты управления, легкие, среднетоннажные краны, экскаваторы и другие инженерные машины.Предварительно спроектированные поворотные кольца из легкого профиля серии HS имеют прямоугольные поперечные сечения, которые позволяют использовать альтернативные схемы отверстий, повышенную жесткость и потенциал для большей производительности. Идеально подходит для кранов, воздушных подъемников, вышек экскаватора, поворотных желобов, ротаторов погрузчиков и промышленных проигрывателей.
однорядный шариковый поворотный подшипник (серия HS) с внешней передачей


Поворотное кольцо серии HS используется для стрелового крана диапазон от 20 " до 47 & quot; (От 500 мм до 1200 мм) наружного диаметра со стандартным поперечным сечением. Конфигурации включают в себя не приспособленные и внутренние приспособления (с фитингами по внешнему диаметру) и внешние приспособления (фитинги по внутреннему диаметру). Зубчатые колеса имеют конструкцию Involute Stub с углами давления 20 °, изготовлены по классу AGMA Q5 и 0,015 ". до 0,025 & quot; поправка на обратную реакцию.Подшипники поворотного кольца HS
Инженеры XZWD используют свой опыт и знания для создания широкого спектра решений для решения самых уникальных задач, связанных с подшипниками, что делает XZWD ведущим поставщиком крановых подшипников.
Инженеры XZWD используют свой опыт и знания для создания широкого спектра решений для решения самых уникальных задач, связанных с подшипниками, что делает XZWD ведущим поставщиком крановых подшипников.
Однорядные шарикоподшипники скольжения (серия HS), для кранов, вертлюги
Легкий поворотный подшипник против однорядного шарикового поворотного подшипника
Однорядные шарикоподшипники (серия HS), для кранов, вертлюгов
Однорядный шариковый опорно-поворотный подшипник с внешней шестерней
Шариковый поворотный круг с четырьмя точками поворотного конвейера
Техническое обслуживание поворотного подшипника гидравлического экскаватора
Главная | Насчет нас | Товары | Новости | заявка | Служба поддержки | Связаться с нами